DN50 (2 Zoll) 24VAC Elektrische Absperrklappe mit Zwischenflansch GGG40-Gusseisen-EPDM - BFLW
Diese elektrisch betätigte Absperrklappe ist ideal für die Auf/Zu-Durchflussregelung. Der Stellantrieb ist für Stromversorgungen von 24 Volt DC oder AC geeignet. Der Antrieb ist IP67-zertifiziert und mit einer Handnotbetätigung ausgestattet. Die Absperrklappe hat eine Nennweite von 50 mm (2 Zoll), ist für Medientemperaturen zwischen -10°C und 110°C und einen maximalen Druck von 16 bar geeignet. Einfacher Anschluss an Ihre Rohrleitungen mit einem Zwischenflansch.
- Regulärer Preis
- €442,18
- Regulärer Preis
- €371,58
Beschreibung
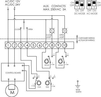
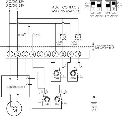
Diese elektrisch gesteuerte Absperrklappe ist eine robuste und langlebige Lösung für die ferngesteuerte Auf/Zu-Regelung. Die Absperrklappe besteht aus einem Gussgehäuse, einer Gussscheibe und einer EPDM-Dichtung. Der Stellantrieb benötigt 24 Volt Gleich- oder Wechselspannung und erzeugt ein Öffnungsmoment von 40 Nm, um das Ventil in 8 Sekunden von 0-90 Grad zu drehen. Mit zwei Schaltern kann die richtige Einstellung (AC oder DC) vorgenommen werden. Der Nennstrom im Betrieb beträgt 0,2 Ampere (Spitzenstrom 1,2 A). Das Ventil verfügt über eine 3-Punkt-Steuerung: Neben den beiden Kontakten für die Stromversorgung (Plus und Minus) gibt es ein Signal zum Öffnen (Minus) und ein Signal zum Schließen (Minus). Die Absperrklappe hat einen Zwischenflansch zum Anschluss an die Rohrleitung, eine Nennweite von DN 50 (2 Zoll) und ist für ungefährliche Medien bis 16 bar ausgelegt. Bitte beachten Sie, dass der maximale Druck je nach Art des Mediums abweichen kann, prüfen Sie daher sorgfältig das Datenblatt. Die Absperrklappe ist standardmäßig mit einer polyamidbeschichteten GGG40-Scheibe ausgestattet. Die EPDM-Dichtung im Ventil ermöglicht einen Temperaturbereich von -10°C bis 110°C. Der Aktuator hat ein robustes, kompaktes Gusseisengehäuse (pulverbeschichtet) und ist staub- und feuchtigkeitsbeständig (IP67-zertifiziert), vorausgesetzt, dass ein richtig dimensioniertes Kabel korrekt installiert ist. Der Stellantrieb verfügt über eine manuelle Überbrückungsfunktion und eine Stellungsanzeige auf der Oberseite. Der Stellantrieb wird über den Flansch ISO 5211 F05 (11 mm) auf die Absperrklappe montiert.
Pros:
- Keine Gefahr von Wasserschlägen aufgrund des langsamen Schließens (7 s)
- Die Komponenten sind austauschbar und können bei Bedarf einzeln ersetzt werden
- Er verbraucht nur während der Bewegung Energie und nicht, um das Öffnen oder Schließen aufrechtzuerhalten.
- Hoher Kv-Wert, da die Flüssigkeit in einer geraden Linie fließt
- Er hat eine geringe Baulänge für einen Durchmesser von DN 50 (2 Zoll) im Vergleich zu einem Kugelhahn mit demselben Durchmesser
- Es kann für eine breite Palette von Flüssigkeiten und Gasen verwendet werden
- Geeignet für viskose Medien
Nachteile
- Bei einem Stromausfall kann das Gerät nicht aus der Ferne bedient werden. Es gibt jedoch eine manuelle Überschreibungsfunktion
- Im Vergleich zu Kugelhähnen hat das Ventil aufgrund der Scheibe keinen völlig ungehinderten Durchflussweg
- Ventil nur zur Installation zwischen Zwischenflanschen geeignet (nicht für Endstrichmontage geeignet)
Baureihe BFL - AG
BFL
Die Absperrklappen der Serie BFL sind eine hervorragende, kostengünstige Lösung für den Ein- und Ausschaltbetrieb sowie für die Modulation des Durchflusses. Sie werden entweder durch einen Druckhebel mit Arretierung oder ein Handzahnrad manuell betätigt und sind leicht zu bedienen. Geeignet für Drücke von 4 - 16 bar, je nach Durchmessergröße (25 - 300 mm), Medium und Materialkombination. Entfernen Sie den Quetschhebel oder das Handrad, um einen ISO 5211-Flansch (Größe F05 bis F12) herzustellen. Es hat eine geringe Baulänge im Verhältnis zum Durchmesser und kann je nach gewähltem Ventilkörper mit einer Lappenflansch- oder Zwischenflanschverbindung installiert werden.Darüber hinaus gibt es eine große Auswahl an Gehäuse-, Scheiben- und Dichtungsmaterialien für diese Absperrklappen. Sie können sowohl für Flüssigkeiten als auch für Gase in Anwendungen mit einem großen Temperaturbereich eingesetzt werden. Einige Modelle können auch für Trinkwasser verwendet werden (DVGW-Zulassung).
AG
Mit den elektrischen Stellantrieben AG mit Vierteldrehung (90⁰) können Sie Absperrklappen oder Kugelhähne mit Strom steuern. Sie sind einfach zu installieren und zu verdrahten und lassen sich schnell in Ihr Automatisierungssystem integrieren. Sie haben einen ISO-5211-Flansch des Typs F03, F04 oder F05 mit einem Wellenvierkant von 14 mm. Das maximale Drehmoment beträgt 40Nm (öffnet in 8 Sekunden) oder ein kleineres mit 20Nm (öffnet in 4 Sekunden), und sie können mit einer breiten Palette an verfügbaren Spannungen betrieben werden. Sie haben ein kompaktes Aluminiumgehäuse (pulverbeschichtet) und sind IP67. Sie verfügen über eine manuelle Übersteuerungsfunktion und eine Stellungsanzeige auf der Oberseite, die die Ventilstellung anzeigt.
Ersatzteile
Nachstehend finden Sie eine Liste der Ersatzteile für dieses Gerät, falls sie benötigt werden. Verwenden Sie einfach die SKU-Nummer in unserer Suchleiste, um das richtige Teil zu finden.Drosselklappe BFLW-50-16-BAA
Betätigungselement: AG-040-B
Anmerkung: Dieses Produkt wird in Einzelteilen, aber mit dem erforderlichen Montagezubehör geliefert.



