Eaton RMQ Titan Start Etikettenträger M22S-ST-GB1 - 216495 [5 Stück]
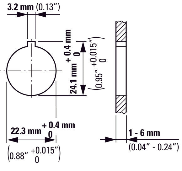
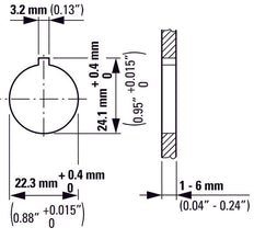
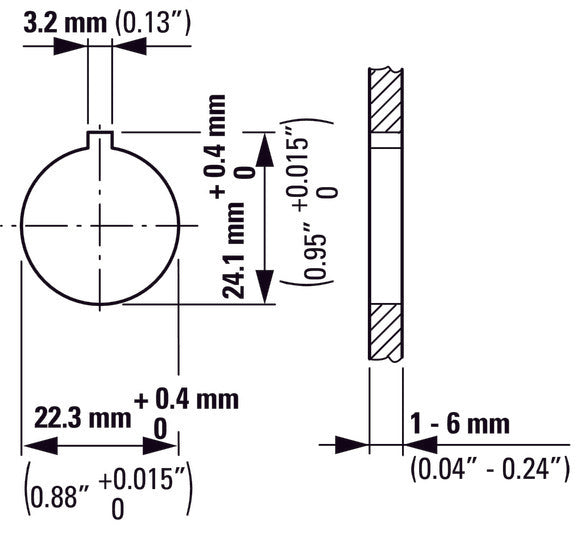
Fertig montierter Etikettenträger, der für RMQ-Titan Steuer- und Signalisierungsgeräte konzipiert ist. Verfügt über ein 22mm Befestigungloch für Drucktasten oder Anzeigeleuchten, schwarzes viereckiges Design mit "START" Textinschrift und Abmessungen von 50x33mm (HxB). Kompatibel mit sowohl konventioneller Verkabelung als auch SmartWire-DT Plug-in-Technologie.
Enthält 5 stück
- Regulärer Preis
- €12,26
- Regulärer Preis
- €10,30
Beschreibung
Fertig montierter Etikettenträger, der für RMQ-Titan Steuer- und Signalisierungsgeräte konzipiert ist. Verfügt über ein 22mm Befestigungloch für Drucktasten oder Anzeigeleuchten, schwarzes viereckiges Design mit "START" Textinschrift und Abmessungen von 50x33mm (HxB). Kompatibel mit sowohl konventioneller Verkabelung als auch SmartWire-DT Plug-in-Technologie.
Vorteile:
- Kompatibel mit konventionellen und SmartWire-DT Verbindungen
- Standard 22mm Befestigungloch für einfache Installation
- Klare START Textbeschriftung zur Anleitung des Bedieners



